

Applications:DC fan、heater、ice machine、washing machine ect.
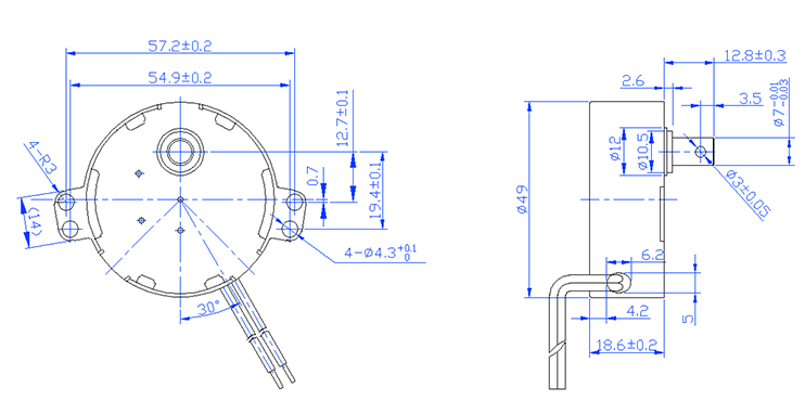
外觀安裝尺寸圖 SCHEMATIC CIRCUIT

電機主要性能表 SPECIFICATION

上一個:同步電機49TYJ-B-V
下一個:同步電機49TYJ-C-III